Оборудование:

+375(29)6118385

Инструмент:

+375(29)3600343

Запчасти:

+375(29)5068385
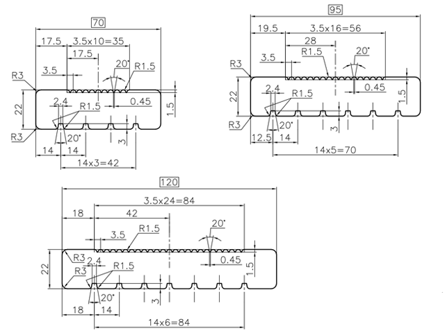
Комплект фрез для изготовления террасной доски Беларусь, Минск КАМИ

Комплект фрез для изготовления террасной доски в Беларуси

Выгодное предложение

Получите лучшее ценовое предложение, набрав по номеру +375 (29) 360-03-43 !

Описание

Комплект фрез для изготовления террасной доски с лицевой и обратной стороны на четырехсторонних фрезерных станках.
Фрезы оснащены ножами из твердого сплава с механическим креплением.
Производитель "Иберус" (Киев).
По желанию заказчика размеры могут быть изменены.

Технические характеристики: